XS4 LE7W - European Mortise Lock

XS4 LE7W - European Mortise Lock

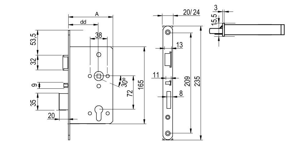
The XS4 DIN Mortise lock LE7W is an automatic deadbolt projection mortise lock that fits the DIN standards. This mortise lock is secure and robust, as it has an intelligent system that projects the deadbolt automatically when the door is closed to ensure that it is properly locked.

XS4 LE7W - European Mortise Lock

 

FINISH

  • IM (Satin Stainless Steel)

Features

  • DIN mortise lock case.
  • Suitable for XS4 Euro standard escutcheons and electronic cylinders.
  • High resistance by use of high quality materials.
  • Lock case, latch and deadbolt made of steel.
  • Equipped with auxiliary latch (anti card system) to prevent unwanted intrusions.
  • Different backsets.
  • Strike plate and dust box not included.

Technical Characteristics

  • Axe distance 72mm.
  • Compatible with Euro profile mechanical cylinders.
  • Round or squared front plate available.
  • 8mm or 9mm square spindle.
  • Turning angle ca.30º.
  • Backsets available 55mm, 60mm, 65mm and 80mm.
  • Front plates available: 20mm and 24mm.

Handing

  • Handed lock, not reversible.

Operations and functions

  • Automatic deadbolt projection.
  • The handle retracts the latch to normal position.
  • Anti-panic safety function: In locked position, turning the inside handle retracts auxiliary latch and deadbolt simultaneously.

Technical Drawing

XS4 LE7W - European Mortise Lock

Certifications

  • CE

(*) External escutcheon.

Downloads