XS4 LE7S - European Mortise Lock

XS4 LE7S - European Mortise Lock

SALTO XS4 LE7S là một khóa lỗ mộng tương thích với DIN cung cấp nhiều khả năng hoạt động và chức năng để cải thiện khả năng kiểm soát truy cập với một giải pháp khóa đáng tin cậy. Nó bao gồm máy dò điện tử tích hợp * để theo dõi trạng thái cửa theo thời gian thực, cung cấp giải pháp dễ dàng cài đặt mà không cần thêm bất kỳ phần cứng hoặc nhu cầu khoan nào.

XS4 LE7S - European Mortise Lock

 

Tính năng

  • Vỏ khóa lỗ mộng tương thích DIN, theo DIN18251.
  • Thích hợp cho XS4 tiêu chuẩn Euro và xi lanh điện tử.
  • Khả năng chống chịu cao nhờ sử dụng các vật liệu chất lượng cao.
  • Vỏ khóa, chốt làm bằng thép.
  • Được trang bị chốt phụ (hệ thống chống thẻ) để ngăn chặn sự xâm nhập không mong muốn.
  • Các tấm nền khác nhau.
  • Tấm phía trước không đối xứng tùy chọn cho cửa giảm giá.
  • Bao gồm tấm chống va đập tiêu chuẩn và hộp đựng bụi để lắp đặt tối ưu.
  • Không cần khoan thêm.

Đặc điểm kỹ thuật

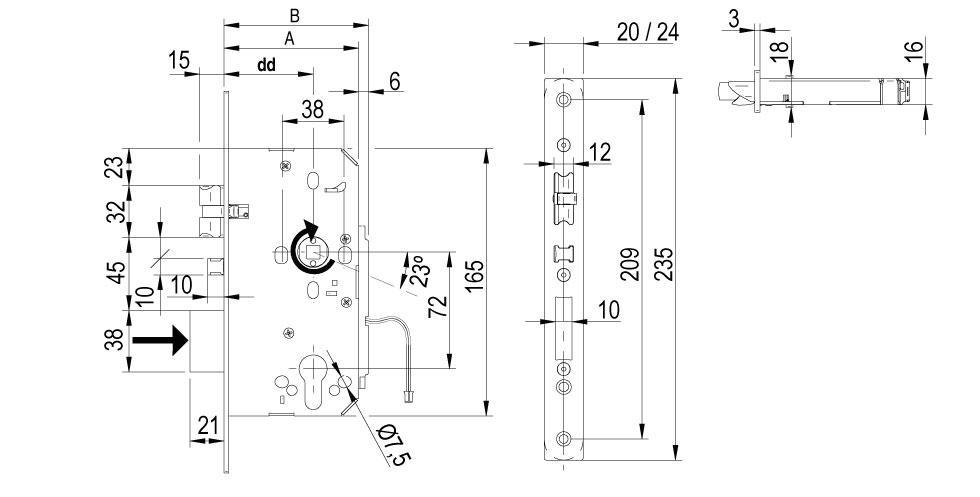
  • Khoảng cách trục: 72mm.
  • Tương thích với xi lanh cơ khí Euro profile.
  • Có sẵn tấm phía trước hình tròn hoặc hình vuông.
  • Trục chính vuông 8mm hoặc 9mm.
  • Góc quay: 23º.
  • Các tấm nền có sẵn: 55mm, 60mm, 65mm và 70mm.
  • Các tấm phía trước có sẵn: 20mm và 24mm.

Giao

  • Chốt có thể đảo ngược với chống ma sát cho chức năng thuận tiện và đáng tin cậy hơn.
  • Tấm phía trước không đối xứng tùy chọn cho cửa giảm giá.

Hoạt động và chức năng

  • Bộ dò tích hợp thông minh cho vị trí chốt và cửa để theo dõi trạng thái của cửa mà không cần bất kỳ phần cứng hoặc phụ kiện bổ sung nào. *
  • Phát hiện báo động đột nhập. *
  • Trạng thái đóng mở của cửa thông qua công nghệ SALTO Wireless. *
  • Máy dò quyền riêng tư điện tử tích hợp tùy chọn để giám sát tình trạng cửa / phòng trong thời gian thực. *
  • Chức năng an toàn chống hoảng loạn: Ở vị trí khóa, xoay tay cầm bên trong sẽ đồng thời rút chốt phụ và chốt cửa.
  • Khóa lỗ mộng có sẵn có hoặc không có chốt khóa để tăng cường bảo mật.
  • Tay cầm rút chốt về vị trí bình thường.
  • 1 lần lượt xoay toàn bộ hình chiếu.

 

* Tùy thuộc vào mô hình

Bản vẽ kỹ thuật

XS4 LE7S - European Mortise Lock

Chứng nhận

  • CE

(*) Tiêu chuẩn