XS4 LE9W - European Mortise Lock

XS4 LE9W - European Mortise Lock

SALTO cung cấp các loại khóa lỗ mộng khác nhau phù hợp với các loại cửa có cấu tạo hẹp. XS4 LE9W là một khóa lỗ mộng tương thích với các hộp khóa DIN mang lại sản phẩm chất lượng cao và cũng cho phép sử dụng với chiếu chốt tự động.

XS4 LE9W - European Mortise Lock

 

Tính năng

  • Hộp khóa lỗ mộng Châu Âu.
  • Thích hợp cho XS4 tiêu chuẩn Euro và xi lanh điện tử.
  • Khả năng chống chịu cao nhờ sử dụng các vật liệu chất lượng cao.
  • Vỏ khóa, chốt và chốt cửa làm bằng thép.
  • Các tấm nền khác nhau.
  • Bao gồm biển báo.

Đặc điểm kỹ thuật

  • Khoảng cách trục 92mm.
  • Tương thích với xi lanh cơ khí Euro profile.
  • Tấm trước hình vuông có sẵn.
  • Trục chính vuông 9mm (bao gồm bộ chuyển đổi sang 8mm).
  • Góc quay 30º.
  • Tấm nền có sẵn 30mm, 35mm, 40mm và 45mm.
  • Các tấm phía trước có sẵn: 24mm.

Giao

  • Chốt có thể đảo ngược để thuận tiện hơn.

Hoạt động và chức năng

  • Khóa lỗ mộng có sẵn có hoặc không có chốt khóa để tăng cường bảo mật.
  • Tùy chọn chiếu chốt cửa tự động để bảo mật hơn.
  • Tay cầm rút chốt về vị trí bình thường.
  • Chức năng an toàn chống hoảng loạn: Ở vị trí khóa, xoay tay cầm bên trong sẽ đồng thời rút chốt phụ và chốt cửa.

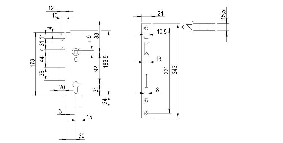
Bản vẽ kỹ thuật

XS4 LE9W - European Mortise Lock

Chứng nhận

  • CE

(*) Tiêu chuẩn

Tải xuống